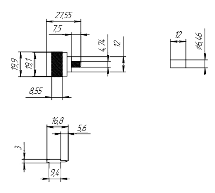
N-111F - ВЧ разъем N типа вилка (папа), обжимной, под коаксиальный кабель RG-58 /U, пин под пайку.
Покрытие корпуса - никель.
*Разъем имеет КСВ<2 в частотном диапазоне до 6 ГГц.
В диапазоне от 6 до 12 ГГц КСВ разъема может быть больше 2.
Разъемы, переходники, аттенюаторы- характеристики:
|
Серия
|
N
|
|
Тип кабеля
|
RG-58, LMR-195, LMR-200
|
|
Тип исполнения
|
Прямой
|
|
Тип монтажа
|
На кабель
|
|
Назначение
|
Вилка (папа)
|
|
Волновое сопротивление
|
50 Ом
|
|
Покрытие корпуса
|
Никель
|
|
Диэлектрик
|
Тефлон
|
|
Способ заделки оплетки кабеля
|
Обжим
|