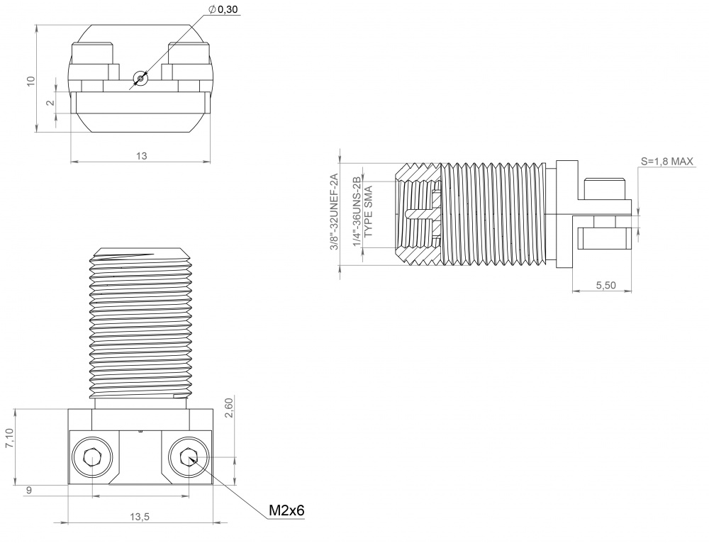
ВЧ разъём SMA - типа, вилка(папа), под пайку с фиксацией к плате любой толщины, со штатными винтами M2х6 подходит к платам до 1,8 мм.
При использования разъёма на более толстой плате, необходимо заменить винты на более длинные.
В комплекте с разъёмом идёт прижимная планка для него и два винта M2x6 под шестигранник.
| Диапазон частот, ГГц | Возвратные потери (RL), дБ |
DC(постоянный ток) - 18 ГГц |
|
DC(постоянный ток) - 28 ГГц |
≧15 |
Разъемы, переходники, аттенюаторы- характеристики:
|
Серия
|
SMA
|
|
Тип исполнения
|
Прямой
|
|
Тип монтажа
|
На плату
|
|
Назначение
|
Вилка (папа)
|
|
Волновое сопротивление
|
50 Ом
|